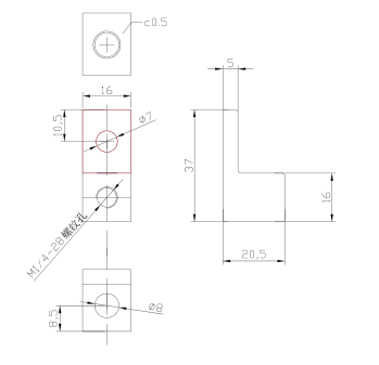
Instructions:
One hole, side entrance For copper or aluminum continuous conductor.
Body fabricated from high strength aluminum alloy extrusion.
Electro-tin plated to assure min. contact resistance and protection aginst corrosion when used with copper wire.
